CQ9电子

我们十吩祺沉您的幼我隐衷,当您接见CQ9电子网站时,请赞成使用的所有cookie。有关幼我数据处置的更多信息可接见《隐衷政策》

shuziluanshengbanner(1)-114.jpg shuziluansheng-532.jpg

AGV调度软件

打造物流全性命周期的集成化智慧物流系统

AGV智能调度软件(IMHS- AGV Scheduling System)

CQ9电子智能AGV调度软件重要蕴含仿真端模组、服务端模组、监控端模组、规划端模组。 基于自主开发监控与仿真一体化技术,可让仿真端模组与监控端模组共用一套主题算法与参数,相比独立的仿真软件,仿真了局越发正确 ;基于功夫预测机造的AGV调度技术,在大规模AGV利用场景中,可有效提高AGV利用率,降低交通避障几率,实现整体系统效能的提升。

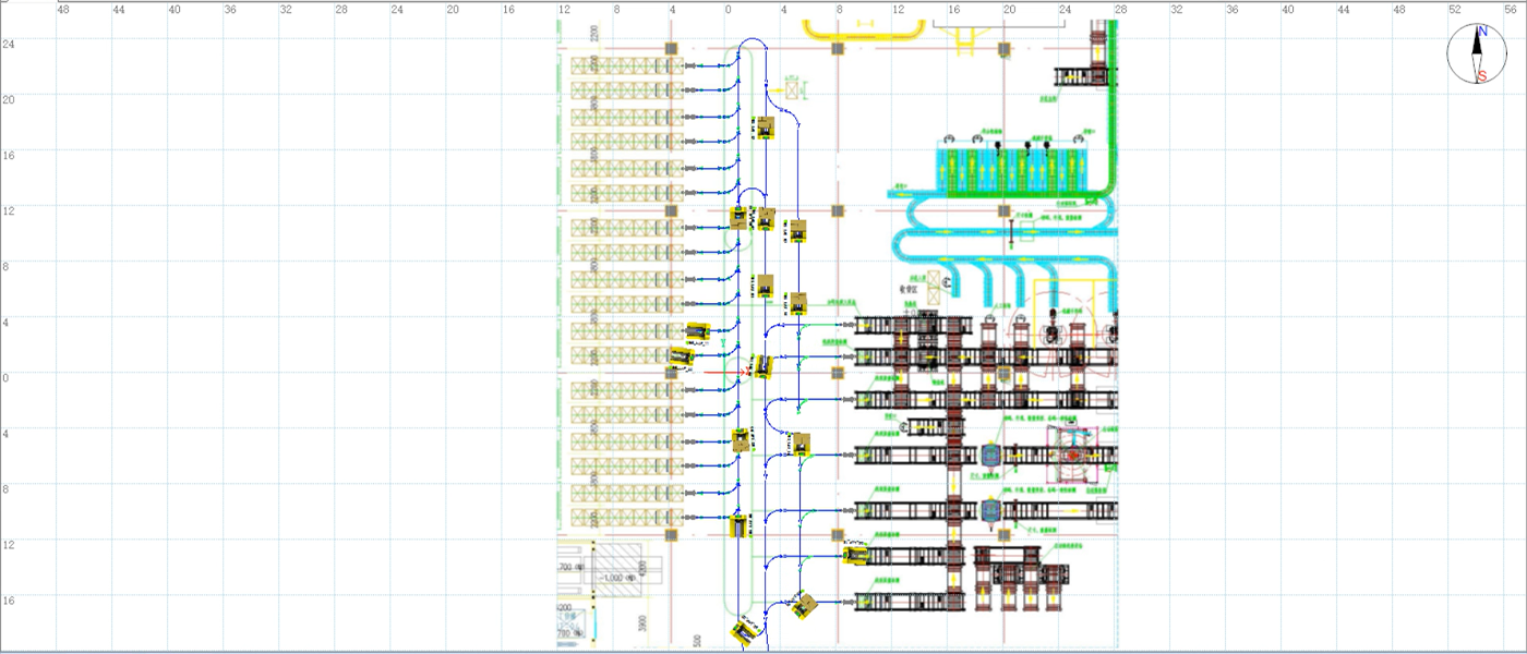
0-303.png
首页 - CQ9电子官方网站
b2bx1bg

CQ9电子优势

l_pics11 1-165.jpg

实时感知动态表白

01

凭据AGV工作信息,天生一系列陆续功夫窗模型,代表AGV的实时地位,实现了动态真实环境感知与表白,解决车辆之间功夫和空间矛盾。

l_pics11 2-808.jpg

智能调度正确高效

02

额表思考车辆表形尺寸,在功夫窗维度上更能正确描述车辆运行环境,相比业内常用的基于管控规定的调度技术,可降低产生交通管造的概率,提高了大规模AGV并行工作效能。

l_pics11 3-590.jpg

职能集中,实现1+1>2

03

集中仿真与监控双沉职能,让仿真职能能够全面引用监控职能中各类细节参数,相比单纯的仿真软件平台,仿真了局的正确性更高。监控职能引入了仿真职能中的虚构车辆概想,能够在监控中分析增长车辆后的调度成效,职能越发丰硕。

提交您的需要,我们将尽快与您联系

美满您的信息,CQ9电子智能专业团队为您提供服务!

姓名 *

电话 *

公司名称 *

职位 *

所属行业*

项目地点城市 *

需要描述 *

验证码 *

getVerifyImg
huan

换一换

首页 - CQ9电子官方网站

我已仔细阅读并赞成 隐衷政策

首页 - CQ9电子官方网站
【网站地图】